

富皓機械生產各種提升機配件如:不銹鋼鏈條、環鏈、板鏈、NE板鏈、鏈輪、環鏈鏈輪、板鏈鏈輪、NE頭論、尾輪等,并可以根據客戶需求定做各類配件。

|
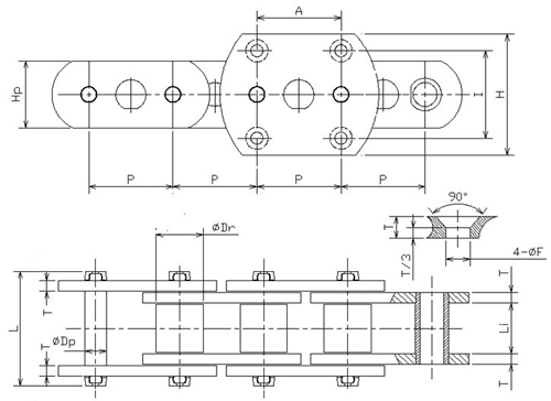
型號 |
節距 |
滾子外徑 |
內節內寬 |
銷軸直徑 |
銷軸長度 |
鏈板厚 |
鏈板寬 |
六孔板高 |
螺孔直徑 |
鏈斗安裝 |
載荷 (Tmax) |
|
NSE100 |
76.2 |
36.00 |
36.5 |
17.10 |
90 |
8 |
50 |
105 |
14 |
70*66 |
230 |
|
NSE200 |
100 |
44.50 |
51.8 |
21.10 |
120 |
10 |
60 |
150 |
18 |
100*105 |
380 |
|
NSE300 |
100 |
48.50 |
57.6 |
23.10 |
126 |
10 |
75 |
150 |
18 |
100*105 |
550 |
|
NSE400 |
100 |
51.00 |
57.60 |
25.20 |
126 |
10 |
75 |
150 |
18 |
100*105 |
650 |
|
NSE500 |
125 |
63.50 |
67.4 |
31.75 |
150 |
12 |
90 |
180 |
18 |
125*130 |
750 |
|
NSE500B |
125 |
70.00 |
67.4 |
35.00 |
150 |
12 |
90 |
180 |
18 |
125*130 |
850 |
|
NSE600 |
125 |
70.00 |
75 |
35.00 |
170 |
16 |
100 |
180 |
18 |
125*130 |
1000 |
|
NSE700 |
150 |
75.00 |
82.5 |
38.50 |
180 |
16 |
110 |
210 |
22 |
150*160 |
1250 |
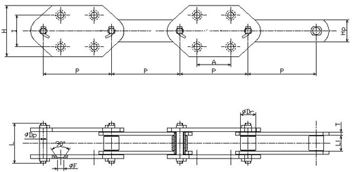
NE板鏈技術參數:


|
型號 |
節距 |
滾子外徑 |
內節內寬 |
銷軸直徑 |
銷軸長度 |
鏈板厚 |
鏈板寬 |
六孔板高 |
螺孔直徑 |
鏈斗安裝 |
破斷載荷 |
|
NE-50 |
152.4 |
36.00 |
36.50 |
17.10 |
90 |
8 |
50 |
110 |
14 |
75*70 |
230 |
|
NE-100 |
200 |
44.50 |
51.80 |
21.10 |
120 |
10 |
60 |
125 |
18 |
100*80 |
380 |
|
NE-150 |
200 |
48.50 |
57.60 |
23.10 |
126 |
10 |
75 |
125 |
18 |
100*80 |
550 |
|
NE-150Q |
200 |
51.00 |
57.60 |
25.20 |
126 |
10 |
75 |
125 |
18 |
100*80 |
650 |
|
NE-200 |
250 |
63.50 |
67.40 |
31.75 |
150 |
12 |
90 |
150 |
18 |
140*100 |
750 |
|
NE-200Q |
250 |
70.00 |
67.40 |
35.00 |
150 |
12 |
90 |
150 |
18 |
140*100 |
880 |
|
NE-300 |
250 |
70.00 |
75.00 |
35.00 |
170 |
16 |
100 |
150 |
18 |
140*100 |
1000 |
|
NE-400 |
300 |
70.00 |
75.00 |
35.00 |
170 |
16 |
100 |
180 |
22 |
170*120 |
1000 |
|
NE-500 |
300 |
75.00 |
82.50 |
38.50 |
180 |
16 |
110 |
200 |
22 |
170*120 |
1250 |
|
NE-600 |
350 |
83.00 |
85.00 |
42.00 |
190 |
16 |
120 |
210 |
22 |
200*170 |
1500 |