

帶式斗式提升機通俗叫皮帶提升機或TD型斗式提升機
一、TD型斗式提升機基本結構:
TD型斗式提升機由運行部分(料斗與牽引膠帶)、帶有傳動滾筒的上部區段,帶有拉緊滾筒的下部區段,中間機殼,驅動裝置,逆止制動裝置等組成。TD型斗式提升機適用于向上輸送松散密度ρ<1.5t/m3粉狀、粒狀和小塊狀的無磨琢性和半磨琢性散狀物料,如煤、砂、焦末、水泥、碎礦石等。
二、TD型斗式提升機結構形式
傳動裝置有兩種形式,分別配有YZ型減速器、ZQ(或YY)型減速器。YZ型軸減速器直接裝在主軸軸頭上,省去了提升機傳動平臺、聯軸器等,使其結構緊湊、重量輕,而且提升機內部帶有異型輥逆止器,逆止可靠。該減速器噪音低,運轉平穩,并隨主軸浮動,可消除安裝應力。
三、TD型斗式提升機特點:
1、驅動功率小。采用流入式喂料、誘導式卸料、大容量的料斗密集型布置,在物料提升時幾乎無回料和挖料現象,因此無效功率少。
2、提升范圍廣。這類提升機對物料的種類、特性要求少,不但能提升一般粉狀、小顆粒狀物料,而且可提升磨琢性較大的物料,密封性好,環境污染少。
3、運行可靠。先進的設計原理和加工方法,保證了整機運行的可靠性,無故障時間超過2萬小時。提升度高,提升機運行平穩,因此可達到較高的提升高度。
4、使用壽命長。提升機的喂料采取流入式,無需用斗挖料,材料之間很少發生擠壓和碰撞現象。在設計時保證物料在喂料、卸料時少有撒落,減少了機械磨損。
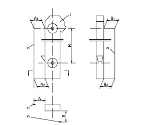
四、TD型斗式提升機安裝尺寸圖:

1、 主軸的水平度不應大于0.3/1000;
2、 帶式提升機上、下軸安裝的允許偏差(圖2)應符合表1的規定;





六:TD-D型斗式提升機技術參數表:
| 型號 | TD160 | TD250 | TD315 | TD400 | ||||||||||||
| 料斗形式 | Q | h | zD | Sd | Q | h | zD | Sd | Q | h | zD | Sd | Q | h | zD | Sd |
| 輸送量(m3/h) | 5.4 | 9.6 | 9.6 | 16 | 12 | 22 | 23 | 35 | 17 | 30 | 25 | 40 | 24 | 46 | 41 | 66 |
| 斗寬(mm) | 160 | 250 | 315 | 400 | ||||||||||||
| 斗容(L) | 0.5 | 0.9 | 4.2 | 1.9 | 1.3 | 2.2 | 3.0 | 4.6 | 2 | 3.6 | 3.8 | 5.8 | 3.1 | 5.6 | 5.9 | 9.4 |
| 斗距(mm) | 280 | 350 | 360 | 450 | 400 | 500 | 480 | 560 | ||||||||
| 帶寬(mm) | 200 | 300 | 400 | 500 | ||||||||||||
| 斗速(m/s) | 1.4 | 1.6 | 1.6 | 1.8 | ||||||||||||
| 物料量大塊(mm) | 25 | 35 | 45 | 55 | ||||||||||||
| 型號 | TD500 | TD630 | TD160 | TD250 | TD350 | TD450 | ||||||||||
| 料斗形式 | Q | h | zD | Sd | h | zD | Sd | Q | S | Q | S | Q | S | Q | S | |
| 輸送量(m3/h) | 38 | 70 | 58 | 92 | 85 | 89 | 142 | 4.7 | 8 | 18 | 22 | 25 | 42 | 50 | 72 | |
| 斗寬(mm) | 500 | 630 | 160 | 250 | 350 | 450 | ||||||||||
| 斗容(L) | 4.8 | 9 | 9.3 | 15 | 14 | 14.6 | 23.5 | 0.65 | 1.1 | 2.6 | 3.2 | 7 | 7.8 | 14.5 | 15 | |
| 斗距(mm) | 500 | 625 | 710 | 300 | 400 | 500 | 640 | |||||||||
| 帶寬(mm) | 600 | 700 | 200 | 300 | 400 | 500 | ||||||||||
| 斗速(m/s) | 1.8 | 2 | 1 | 1.25 | 1.25 | 1.25 | ||||||||||
| 物料量大塊(mm) | 60 | 70 | 25 | 35 | 45 | 55 | ||||||||||
說明:
1.表中斗容為計算斗容,輸送量按填充系數0.6計算得出。
2.斗提機料斗用途為:
淺料斗:輸送潮濕、易結塊、難拋出的物料。如濕沙、濕煤等。
深料斗:輸送干燥的、松散的、易拋出的物料。如水泥、煤塊、碎石等。
七、潤滑:
操作人員應使本機保持良好的潤滑狀態,定期更換或注入新的潤滑油或潤滑脂。

TD斗式提升機圖片:

